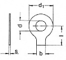
m5 rvs

Artikelnr: DIN 93
0,90
  • Gratis verzending binnen Nederland vanaf € 50,-
  • Per stuk te bestellen
  • Ook bevestigingsmaterialen op maat

Alternatieve artikelen voor m5 rvs